

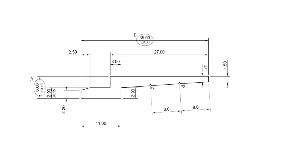
NEW ARRIVAL
SANDWICH PANELS
Our range of high-performance insulated panels is designed to meet the growing demands of commercial, industrial, and temperature-controlled environments. Whether you're building a cold room, food facility, or clean warehouse, our solutions offer the perfect balance of performance, flexibility, and speed of installation.